

Popis
Kloubová ložiska jsou radiální kluzná ložiska sestávající se z jednoho vnitřního a jednoho vnějšího kroužku, které mají kulové funkční plochy. Ložiska jsou určena především pro uložení, kde působí velké radiální zatížení při pomalém naklápění nebo kývání a pro uložení, kde má být zabezpečena prostorová nastavitelnost dvou součástí. Kromě radiálního zatížení mohou ložiska zachytávat i axiální zatížení určité velikosti v obou směrech.
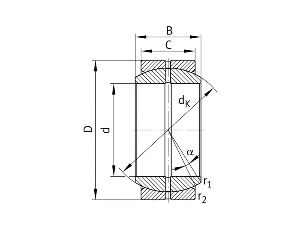
Materiál : Ocel/Ocel
Profil díry : Válcová
Průměr d (mm) : 20
Průměr D (mm) : 36
Šířka B (mm) : 16
Šířka C (mm) : 12
Těsnění : S těsněním - oboustranně kryté
| Vnitřní průměr (mm) | 20 |
| Venkovní průměr (mm) | 35 |
Buďte první, kdo napíše příspěvek k této položce.
Pouze registrovaní uživatelé mohou vkládat příspěvky. Prosím přihlaste se nebo se registrujte.
